產品介紹
選擇品牌
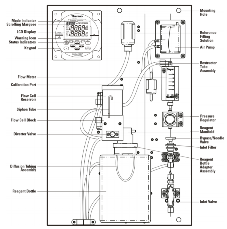
2120XP 鈣離子硬度分析儀
2120XP Calcium Hardness Analyzer
產品簡介
Thermo Orion 製程分析儀,如Sodium(鈉離子)、Chloride(氯離子)、COD(化學需氧量)、BOD(生物需氧量)、Silica(矽)、Phosphate(磷酸鹽)、Ammonia(氨氮)、脫氧劑(Oxygen Scavenger)及Fluoride(氟離子)等,提供了製程分析上完整的解決方案。
Thermo Orion 製程分析儀,如Sodium(鈉離子)、Chloride(氯離子)、COD(化學需氧量)、BOD(生物需氧量)、Silica(矽)、Phosphate(磷酸鹽)、Ammonia(氨氮)、脫氧劑(Oxygen Scavenger)及Fluoride(氟離子)等,提供了製程分析上完整的解決方案。