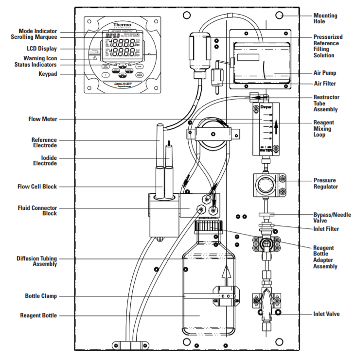
2118XP 脫氧劑分析儀

2118XP Oxygen Scavenger Analyzer

產品簡介

Thermo Orion 製程分析儀,如Sodium(鈉離子)、Chloride(氯離子)、COD(化學需氧量)、BOD(生物需氧量)、Silica(矽)、Phosphate(磷酸鹽)、Ammonia(氨氮)、脫氧劑(Oxygen Scavenger)及Fluoride(氟離子)等,提供了製程分析上完整的解決方案。

市場與應用
1.電廠應用
2.造紙廠
3.半導體廠
量測範圍: Hydrazine: 0 ppb to 200 ppb
                       ELIMIN-OX®: 0 ppb to 1000 ppb
解析度: 2~4位數
單位顯示: ppb, ppm (auto ranging)
電源: 85-132 or 170-264 VAC
輸出: 2組 4~20mA輸出